| 是否进口:否 | 产地:中国 | 加工定制:是 |
| 品牌:格瑶电子 | 型号:GY-601 | 订货号:gy121542 |
| 货号:12324565 | 温控范围:65℃ | 工作电流:80A |
| 工作电压:380V | 外型尺寸:45X80mm | 适用电机功率:50kw |
| 是否跨境货源:否 |
1 产品概述
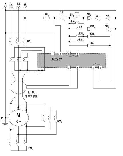
GYCB系列三相交流保护继电器(又称三相电源监视器、相序保护器等)主要用于交流50Hz,工业三相源AC220V、380V等电压级别的各种故障检测,对三相电源使用中的缺相、逆相(相序)、三相电压不平衡等提供继电保护,产品广泛应用于空压机、电动机、配电箱、水泵、油泵、中央空调机组、电控箱、配电柜、起重机等,如中央空调压缩机保护,各种电梯的电源监视,水泵、油泵防缺相、逆相保护等,是工业设备运行中维护设备工作电压正常的不可缺少的保护产品。
本产品符合GB14085.5-2001 eqv IEC60947-1:1999标准(不得安装在变频电流的输出侧!)
2 结构特点
1)安装方式:该保护器底座采用导轨式,内设两个M4螺孔结构,直接独立安装或HT35导轨安装。
2)指 示 灯:以五个指示灯分别来指示:正常运行,断相(电压三相不平衡),错相,欠压,过压。
3)外型尺寸: 68mm×30mm×76mm。
3 保护特性
1)断相保护:指被保护线路任意一相发生断相故障,立即动作。
2)电压不平衡保护:指三相电压不平衡将会影响线路安全运行的一种电压不平衡的保护,立即动作。
3) 错相 (相序) 保护:指被保护线路的电源输入相序错,立即动作。
4) 过压保护:指被保护线路电压高于设定值,延时3-8秒后动作。
5) 欠压保护:指被保护线路电压低于设定值,延时3-8秒后动作。
4 主要技术数据
1) 主电路:
1)额定电压:AC220V,AC380V。
2)主电路的连接导线:绝缘铜线其载面积1.0~2.5mm。若单股铜线可直接插入接线柱;若采用软线,则必须在导线上加针型接线头,以确保连接可靠。
2) 辅助电路:
1)具有一常开触点和一常闭触点输出。
2)触点容量:250VAC 2.*** ,30VDC 1.***
3)约定发热电流:***
4)外形及安装尺寸
浙江格瑶科技股份有限公司(原浙江格瑶电子科技有限公司)成立于2009年,座落于“浙江美丽南大门”苍南县工业园区海西金融科技创业园,是一家集科研、生产、销售、服务为一体的“国家高新技术企业”。企业通过了3C认证和***:2015质量体系认证、信息安全管理和信息技术服务管理体系认证。 格瑶注重科技创新,引入高端技术人才,组建高素质研发团队,不断引进国内外***技术,提高科技含量,同时与上海电力学院、上海交通大学、杭州电子科技大学等科研院校共建研发中心。企业拥有标准化的厂房、现代化的生产车间和***的生产设备。现有产品“服务机器人、机械电动工具、电动机保护器、电机节能监控装置、电力仪表”等系列,具有多项完善的软件著作权、自主产权、省级新产品,填补了国际相关领域的空白。企业严格的质检管理确保产品的***品质,依靠科学合理的生产工序提高生产效率,精益求精中完善对客户的各项配套服务。 立足科技,以人为本,创建“企业和社会的共同发展”的原则,达到“人无我有,人有我优,人优我奇”的目标,赢得***人士的友好支持和信赖“做格瑶满全球”。 无论产品销往何处,都有我们的至诚服务网点 与时俱进更是我们坚定的推行 把注重产品品质和环境意识提升到一个新高度 携手让你惊叹的 不仅仅是***的产品 更有那共赢而激动的喜悦 …………
点击查看>| 企业类型 | 股份有限公司 | 注册资本 | 1086.00万人民币 |
| 公司注册地址 | 浙江省苍南县工业园区山海大道与海峡大道交叉路口格瑶大楼 | 统一社会信用代码 | 91330327685593223A |
| 登记机关 | 温州市市场监督管理局 | 法定代表人 | 陈书贵 |
| 公司成立日期 | 2009-03-12 | 营业期限 | 长期 |
| 经营范围 | 电动机保护器,电机保护器,电动机测控保护器,电流互感器,电力输变电设备,智能机器人、服务机器人、家用电器进出口 | ||



