| 产品特性:精密车床 | 类型:普通车床 | 品牌:济南一机 |
| 控制形式:人工 | 布局形式:卧式 | 产品类型:全新 |
| 售后服务:一年保修 | 型号:CM6125 | 主电机功率:2.4kw |
| 外形尺寸:1409X670X1180mm | 加工精度:高精度 | 最大加工长度:350mm |
| 最大加工直径:250mm | 最大回转直径:250mm | 主轴转速级数:14级 |
| 主轴通孔直径:26mm | 安装形式:落地式 | 适用行业:通用 |
| 动力类型:机械传动 | 适用范围:通用 | 是否库存:否 |
| 是否跨境出口专供货源:否 |
◆ 本产品系精密车床,适用于电子、仪器仪表、军工航空等行业工厂中单件和小批生产。主要用于各种轴类、套类及盘类等零件的精密加工,包括车削各种零件的外圆、内圆、端面、锥度、切槽及利用卡盘、拨盘及其他机床附件车削公制、英制、模数螺纹;此外还可用于进行钻孔、镗孔、铰孔、滚花、拉油槽等加工。
◆ 本机床具有结构简单、操纵方便、精度稳定、高速运转震动小、刚性高及机床床身导轨经高频淬火等特点。加工粗糙度对有色金属工件可达Ra0.8,对钢件可达Ra1.6.。机床设有脚踏机刹车装置与电气联动,便于加工小型零件经常停车使用。
◆本机床是采用独特的前、后双轴瓦动静压滑动主轴轴承结构的小型精密车床。优质铜合金轴瓦,经过有经验的***技师手工精密研磨、刮点、装配、调整,在旋转主轴配合下,将主轴油泵提供的7号高速机油,带入主轴和轴瓦间微小的空隙腔里,形成支撑主轴的高刚性油膜,同时兼具润滑、散热的作用,***了主轴的动态高刚性和回转精度。理论上,轴瓦与主轴表面,中间隔着油膜,是不直接接触的,可以实现“零”磨损,精度保持性好,延长了主轴寿命。圆弧流线型主轴箱外形,造型美观的同时,还使得主轴整体温升变化均匀、与周围环境热交换稳定。在上述各种因素综合作用下,凸显该主轴结构合理、温升变形稳定、精度高、刚性强、寿命长的特点,深得国内外从事精密机加的广大用户好评、推崇及厚爱!
◆ 本机床是济南一机的***代表作之一,1984年8月9日荣获国家银奖,***不衰!
CM6125精密车床主要规格参数(公制标准配置)
项目 | 内 容 | 单 位 | 规 格 参 数 | ||||||
加 工 范 围 | 床身上工件回转直径 | mm | Ф250 | ||||||
床身上加工直径 | mm | Ф250 | |||||||
刀架上加工直径 | mm | Ф140 | |||||||
加工棒料直径 | mm | Ф23 | |||||||
工件长度 | mm | 350 | |||||||
加工长度 | mm | 350 | |||||||
加 工 螺 纹 | 公制螺纹(范围/种数) | mm | 0.5-5/16 | ||||||
英制螺纹(范围/种数) |
| 28-5t.p.i/15 | |||||||
模数螺纹(范围/种数) |
| 0.3-2/11 | |||||||
主 轴 | 主轴孔直径 | mm | Ф26 | ||||||
主轴锥孔 |
| 莫氏4号 | |||||||
主轴转速范围 | r/min | 63-3150 | |||||||
主电机功率 | kw | 1.5/2.4(双速电机) | |||||||
主电机转速 | r/min | 700/1420 | |||||||
刀 架 | 纵向行程 | mm | 350 | ||||||
横向行程 | mm | 140 | |||||||
小刀架行程 | mm | 80 | |||||||
纵向进给量 | mm/rev | 0.01-0.2 | |||||||
横向进给量 | mm/rev | 0.005-0.1 | |||||||
尾 架 | ***套内孔锥度 |
| 莫氏3号 | ||||||
***套移动量 | mm | 80 | |||||||
横向移动量 | mm | ±10 | |||||||
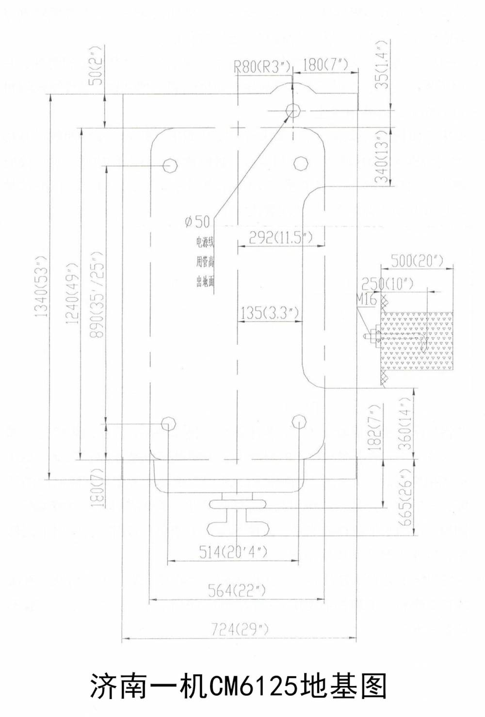
其 它 | 机床外形尺寸(长X宽X高) | mm | 1409x670x1180 | ||||||
机床净重 | Kg | 1000 | |||||||
工作精度 | 表面粗糙度 | 圆度 | 圆柱度 | 平面度 | 螺纹 | ||||
Ra0.8 | 0.005 | 0.008/125 | 0.006/Ф125 | 0.01/50 0.018/300 | |||||
█ 精密、成熟、通用、质优、性价比高,性能为广大机加用户所熟知,给予好评厚爱
█ 生产历史悠久、社会保有量大、配件便宜易购,精密零件加工***的主力机型
济南一机1949年8月成功试制我国***台五呎马达车床。
1954年5月遵照一机部二局的布署,完成了我国***批2台C616型普通车床的试制任务,经国家鉴定合格,投入批量生产。
1957年5月29日试制成功C616A型精密车床,经鉴定投入小批生产。
1958年7月2日中共中央毛**东主席在北京中**南海举办的机床与工具展览会上参观了一厂生产的C616车床。
1961年11月15日自行设计试制成功C612***型车床,并通过技术鉴定。在此基础上,CM6125精密车床改进于1960年代,定型于1970年代。后经过多年生产实践、技术积累和突破,1980年9月30日获“山东***质产品”称号,1984年8月9日荣获国家银质奖。
起初生产中,产品执行济南一机的工厂标准和机械部部颁标准,后来国家又颁布了《GB/T 4020-1997 卧式车床 精度检验》标准,但我们在生产实践中,仍然习惯于执行GB4021-83《精密车床精度》和工厂内控标准。
GB4021-83《精密车床精度》 ***要求的精度(强制执行):
工作精度 | 车外圆圆度 | 车外圆圆柱度 | 车端面平面度 | 车螺纹 |
0.005 | 0.008/125 | 0.006/Ф125 | 0.01/任意50长 0.018/300长 |
现在,我们一脉传承生产的CM6125精密车床,公司内部规定:所有和CGM6125超高精密车床结构相同的部件,均按照CGM6125的超高精度要求执行,工作精度实测(内控,非强制执行):
工作精度 | 粗糙度 | 外圆圆度 | 外圆圆柱度 | 端面平面度 | 螺纹 |
车铜铝 Ra0.8 | 0.003 | 0.005/125 | 0.003/Ф125 | 0.01/任意50长 0.018/300长 |
CM6125上海用户车间现场实拍照片
标准随机附件和技术文件清单
(一)CM6125精密车床标准随机附件 | ||||
序号 | 名 称 | 型 号 规 格 | 数量 | 备 注 |
1 | 三爪卡盘 | Ф130 | 1套 |
|
2 | 三爪卡盘接盘 | 125M09600 (Ф130用) | 1套 |
|
3 | 调整垫块 |
| 4件 |
|
(二)CM6125精密车床技术文件清单 | ||||
4 | 装箱单 |
| 1份 |
|
5 | 合格证明书 |
| 1份 |
|
6 | 使用说明书 |
| 1本 |
|
(三)CM6125精密车床特订附件 | ||||
7 | 交换齿轮 (公制丝杠用) | 模数M=1,齿数Z=40、45、46、55、60、70、75、80*、90、95、100、105*、105*、110、115、120*、127 全套挂轮总计17件 | 件 | 标准机只带4件带*的;其它挂轮,用户根据自己的加工要求按照《螺距挂轮表》选订 |
8 | 弹簧夹头 (包括拉杆、手轮) | 夹头12种规格: 夹持直径D=3、3.5、4、4.5、5、6、8、10、12、14、15、16mm (125M1803) | 盒 | 其它尺寸 接受订制 |
本机床的主轴内孔前端,直接加工出30?弹簧夹头锁紧定位面,后面有圆柱内孔做前后推拉的导向,使得弹簧夹头的定位夹头体和主轴成为一体式结构,比一般的通过主轴联接盘过渡后、再和定位夹头体联接起来的分体结构,大大缩短了工件装夹的悬伸长度,更加有效地提升了弹簧夹头的夹持精度和加工精度,深受了解这一优点的广大行家用户的推崇!!!
本机床还可以选装数显装置(用户现场实拍)
即使很少调整移动的尾座底板,也认真刮研点数,凸显匠心
本机床也可以提供数控改造、大修,为喜爱该独特主轴轴瓦结构的广大用户服务,提升机床加工性能!
济南一机幺二五机床有限公司是一家具有雄厚智造技术实力的装备制造商和维修改造商,坐落于中国重要的机床工具制造基地之一的济南老城区西南部机械工业区。这里,机床生产历史悠久,装备制造文化氛围浓厚,聚集了中国机床工具行业“十八罗汉厂”中的两家名企----济南第/一机床厂和济南第/二机床厂。 ? ?公司集“幺二五”(CM6125)、“幺六”(C616)车床数十年制造经验之大成,引进消化吸收日本MK460/530、德国MAHO、威勒等世界名机的工艺技术,专注于中小型、高速、精密、智能、复合、专业、高效机床的设计、开发、制造、销售、维修、改造、服务,主导产品为普通精密车床、数控车床、车铣复合、加工中心、专用机床、机床附件、模具、液压气动机械及元件、工业自动控制系统装置等。 公司经营范围:机床及零部件、机床附件、模具、液压气动机械及元件的制造;工业自动控制系统装置的技术开发、设计、制造;通用设备的维修、改装;机械加工设备的安装、调试、维护、技术开发、技术咨询、科技推广和应用服务;批发、零售:机械设备、五金产品、电子产品、建材、化工产品
点击查看>| 企业类型 | 有限责任公司(自然人投资或控股) | 注册资本 | 89.00万人民币 |
| 公司注册地址 | 山东省济南市市中区白马山南路王冠工业园5号 | 统一社会信用代码 | 9137010335345717XE |
| 登记机关 | 济南市市中区市场监督管理局 | 法定代表人 | 彭贵芹 |
| 公司成立日期 | 2015-08-19 | 营业期限 | 2015-08-19 至 无固定期限 |
| 经营范围 | 机床及零部件、机床附件、模具、液压气动机械及元件的制造;工业自动控制系统装置的技术开发、设计、制造;通用设备的维修、改装;机械加工设备的安装、调试、维护、技术开发、技术咨询、科技推广和应用服务;批发、零售:机械设备、五金产品、电子产品、建材、化工产品(不含危险化学品);进出口业务(不含国营贸易管理货物)。(依法须经批准的项目,经相关部门批准后方可开展经营活动) | ||













